新闻中心
2019-08-28 01:52:27| 来源:admin| 浏览量:816
只采用复合按钮的互锁保护是不太可靠的,实际工作中由于负载短路或大电流的长期作用,接触器的主触点有可能被强烈的电弧“烧焊”在一起;或因为接触器的机构失灵,使衔铁卡住而总是处于吸合状态。这时,如果另一个接触器正好得电吸合,就会发生电源短路故障。为此,在电路中再分别串接两接触器的常闭触点,可起到双重互锁的作用。烟台电机、威海电机销售处
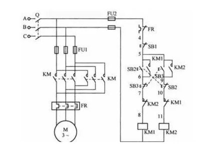
将《接触器互锁电动机正反转控制电路与按钮互锁的电动机正反转控制电路》中的电路图结合起来,就变成具有双重互锁的正反转控制电路。如下图所示,图中SB2和SB3均为复合按钮,合上电源开关Q,按下起动按钮SB2,其常闭触点SB2断开,使接触器KM2不得电;常开触点SB2接通,使接触器KM1得电吸合并自锁,其主触点闭合,接通电源,电动机正向起动运转。这时KM1的常闭触点KM1断开,进一步保证KM2不得电。

电动机双重互锁正反转控制电路接线图
当需要电动机反转时,按下反向按钮SB3,其常开触点SB3断开,使接触器KM1断电释放,主触点断开,切除了电动机的电源,电动机断电而慢慢停止,同时SB3的常开触点闭合,又由于KM1的常闭辅助触点恢复闭合,使得接触器KM2得电吸合并自锁,其主触点闭合,将电动机的两相电源对调,电动机反向转动。这时KM2的常闭触点断开,确保KM1断电。如果要电动机停止,只需要按下停止按钮SB1即可。
本电路特点:操作方便,可直接进行正反转的操作,又安/全可靠,因此广泛应用于可逆运转的各种生产机械上。
来源:网络整理 ----- 烟台电机、威海电机销售处
Copyright © 2017 皖南电机山东直销中心 All rights reserved.
备案号:鲁ICP备19064787号-1
鲁公网安备37060202001245号
网站制作:
智联数字